उच्च सटीकता कक्षा 0.5 - मोर्टि organizing अनुप्रयोगहरूको लागि सटीक वर्तमान मापन प्रदान गर्दछ।
फराकिलो खस्करी दायरा - विभिन्न लोड सर्तहरू समायोजित गर्न धेरै हालको अनुपातको समर्थन गर्दछ।
कम्प्याक्ट र लाइटवेट डिजाइन - प्रदर्शन प्रदर्शन बिना कडा रिक्त स्थानमा स्थापना गर्न सजिलो।
उत्कृष्ट थर्मल स्थिरता - उतारचुजनक तापमा पनि स्थिर परिचालन सुनिश्चित गर्दछ।
कडा इन्सुलेशन र सुरक्षा - उद्योग सुरक्षा मापदण्डको साथ अनुपालन गर्दछ, विद्युतीय गल्तीहरू मार्फत भरपर्दो सुरक्षा प्रदान गर्दै।
बहुमुखी अनुप्रयोगहरू - पावर वितरण प्यानल, औद्योगिक स्वयंपना, औद्योगिक स्वयंकरण, औद्योगिक स्वयंकरण र नवीकरणीय उर्जा प्रणालीहरूमा प्रयोगको लागि आदर्श।
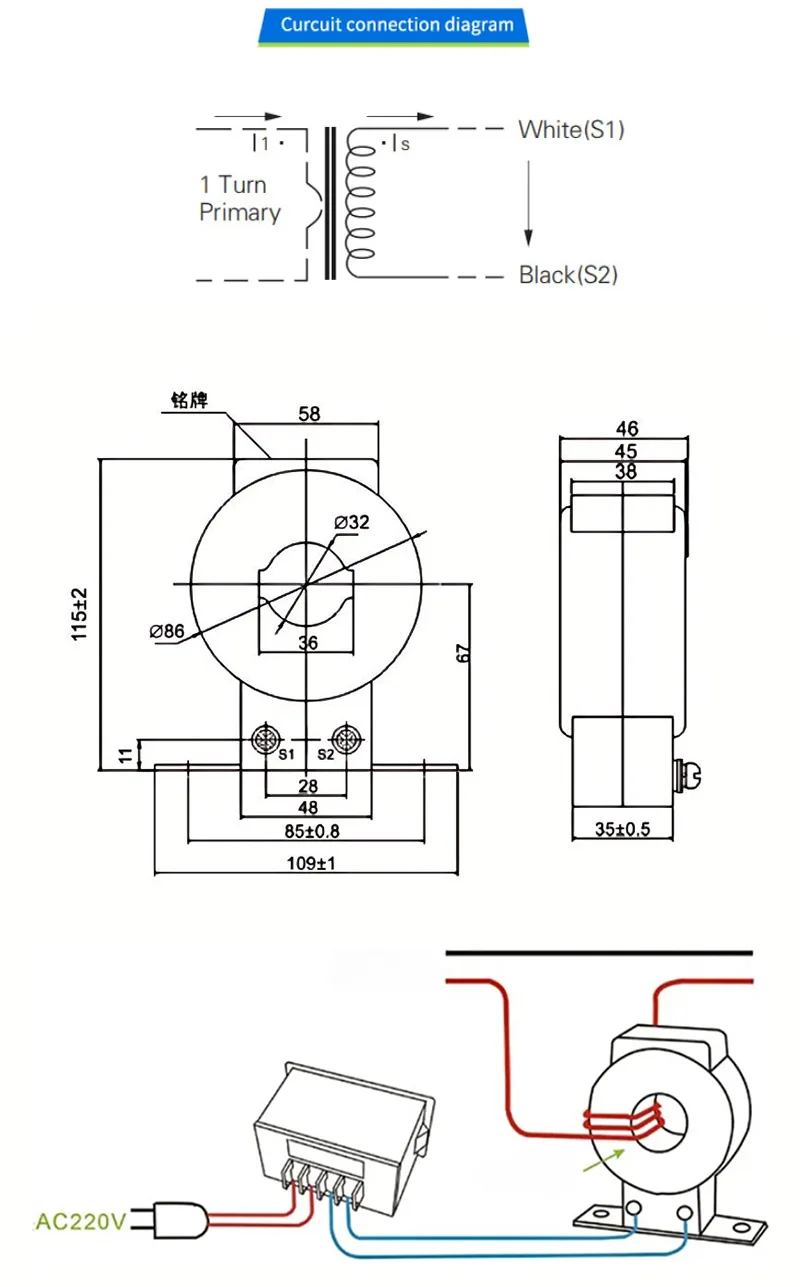
रेटेड प्राथमिक हालको: अनुकूल: अनुकूल (E.g., 5a ~ 2000a)
रेडरी दोस्रो हालको: 5a वा 1a (मानक)
सटीशाष वर्ग: 0.5
फ्रिक्वेन्सी: 50hz / 50hz
इन्सुलेशन स्तर: kkv सम्म
अपरेटिंग तापमान: -25 ° c to + 70 ° c
शक्ति मिटर र उर्जा अनुगमन
संरक्षण रिज र सर्किट ब्रेकर
औद्योगिक र वाणिज्यिक विद्युतीय प्रणालीहरू
सौर्य र वायु पावर स्थापनाहरू

ठेगाना
Xiangyang औद्योगिक क्षेत्र, yaqing, zhhejiang, चीन
टेलिफोन
इ-मेल