Zheziag Shamnaiderel इलेक्ट्रिक कण कम्पनी, ltd।
Zheziag Shamnaiderel इलेक्ट्रिक कण कम्पनी, ltd।
पानी
BH-0.66- -500 वर्तमान ट्रान्सफार्मरहरू
  • BH-0.66- -500 वर्तमान ट्रान्सफार्मरहरूBH-0.66- -500 वर्तमान ट्रान्सफार्मरहरू

BH-0.66- -500 वर्तमान ट्रान्सफार्मरहरू

बीच-0.66-500 वर्तमान ट्रान्सफार्मरहरू विभिन्न औद्योगिक अनुप्रयोगहरूमा विद्युतीय धाराहरूको सही मापन र अनुगमनको लागि डिजाइन गरिएको छ। एक रेटेड वर्तमान र 0..66 को एक रूपान्तरण अनुपात संग, यी ट्रान्सफार्मरहरूले भरपर्दो र सटीक मा मापन क्षमताहरू प्रदान गर्दछ।

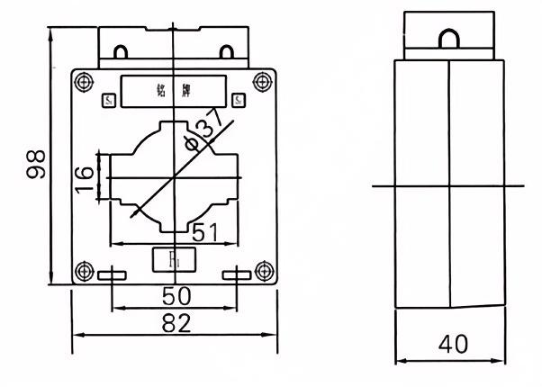
Intoor epoxy रेनन वर्तमान ट्रान्सफार्टर वा इनडोर प्लास्टिक क्यानिंग वर्तमान ट्रान्सफार्मर

• एकल चरण, दुई चरण वा तीन चरण।

• रेटेड भोल्टेज: 0.66kv

Ct Ct: 0.2s, 0.2, 0.5, 0.5s को लागि मिटर

• मानक: IEC6186969-29-29-2969

• प्रकार टाइप गर्नुहोस्: BH-0.66-50500

यो इनडोर सुख्खा प्रकार हालको ट्रान्सफार्मर 0.66kv, 0.755kv मा प्रयोग गरिन्छ। शक्ति प्रणाली, मापन र संरक्षण को लागी।

यो CUBUBLILE स्विचगर वा खाडी-स्थापित स्विच स्टेशन मा प्रयोग गरीएको छ।

Bh-0.66-500 वर्तमान ट्रान्सफार्मरहरु उच्च तापमान हूलर एपोक्सरी रेन, मोल संरक्षणको लागि कोर, प्राथमिक र माध्यमिक को उपयोग शुद्ध इलेक्ट्रोलीलीली तानेर प्रयोग गर्दछ।


अनुप्रयोगहरू:

शक्ति वितरण प्रणाली

ऊर्जा व्यवस्थापन प्रणाली

औद्योगिक उपकरण अनुगमन

नवीकरणीय उर्जा प्रणालीहरू


1 प्रीमियम सामग्री

उच्च-वृर कोर: सटीक-मिलिनेटेटेड सिलिकन पालीन स्टिल वा ननकटल कोरहरु न्यूनतम घाटा र उच्च लाइनरताको लागि।  

मजबूज इन्सुलेशन: EPOXY रेन डिजाइन कठोर वातावरणमा दीर्घकालीन स्थिरता सुनिश्चित गर्नुहोस्।  


2 उच्च प्रदर्शन

सटीकता: वर्ग 0.2 / 0.5 सुरक्षाको लागि myp / 0.53 सुरक्षाको लागि myp / 0.53, IEC 611869 ,,, 6004444, IEEE, र एन्डी मानकहरू।  

फराकिलो दायरा: अनुकूलन अनुपात / फ्रिक्वेन्सी (500 / -000 र 60hz) को साथ 0.6KV-36KV प्रणालीहरू समर्थन गर्दछ।  

कम थर्मल वृद्धि: इष्टतम डिजाइनले पूर्वाग्रह गर्दछ, लाइफप्यान विस्तार गर्दछ।  

EMC शुद्धता: भरपर्दो संकेतहरूको लागि इलेक्ट्रोगुनेटिक हस्तक्षेप विरूद्ध शिल्डहरू।  


। सेवा र समर्थन

अनुकूलन समाधानहरू: कम अनुकूलन, आकारहरू, वा कनेक्टरहरू (उदाहरणका लागि डिब्बाहरू, डिल रेलहरू)।  

ग्लोबल प्रमाणपत्र: IEC, CEC, ISO, र स्थानीय ग्रिड अनुमोदनहरू।  

आजीवन प्राविधिक सहायता: 2 // 7 समर्थन, स्थापना, स्थापना मार्गदर्शन, र अतिरिक्त भाग आपूर्ति।  

द्रुत डेलिभरी: 2--4 हप्तामा मानक उत्पादनहरू; तत्काल आवश्यकताहरूको लागि द्रुत विकल्पहरू।  


मुख्य प्राविधिक प्यारामिटरहरू

प्राथमिक रूपमा मूल्या rated ्कन गरिएको
वर्तमान (a)
परिशुद्घता
कमिला
संयोग
REDED दोस्रो आउटपुट (VA) 1s थर्मल वर्तमान (Ka) गतिशील गतिशील वर्तमान (Ka)
0.2 (हरू) 0.2 0.5 10,P10
5-400 0.2 / 10 1110
0. / / 10 1110
/ 10 10 15 90lin 2200lin
5-400 100 पात्र 250LIN
5-400 20 50
5-400
5-400 36 90
10
5-400 45 100
5-400 56 100
5-400
5-400 80 110
5-400 100 110




हट ट्यागहरू: BH-0.66- -500 वर्तमान ट्रान्सफार्मरहरू
सोधपुछ पठाउनुहोस्
सम्पर्क जानकारी
  • ठेगाना

    Xiangyang औद्योगिक क्षेत्र, yaqing, zhhejiang, चीन

  • टेलिफोन

    +86-13506554625

  • इ-मेल

    river@dahuelec.com

यदि तपाइँसँग उद्धरण वा सहयोग को बारे मा कुनै सोधपुछ छ, कृपया यूएस नदी @ बदाम संलग्न वा निम्न छानबिन फारम प्रयोग गर्नुहोस्। हाम्रो बिक्री प्रतिनिधिले 2 24 घण्टा भित्र तपाईंलाई सम्पर्क गर्दछ। हाम्रो उत्पादनहरूमा तपाईको चासोको लागि धन्यवाद।
X
We use cookies to offer you a better browsing experience, analyze site traffic and personalize content. By using this site, you agree to our use of cookies. Privacy Policy
Reject Accept