Zheziag Shamnaiderel इलेक्ट्रिक कण कम्पनी, ltd।
Zheziag Shamnaiderel इलेक्ट्रिक कण कम्पनी, ltd।
पानी
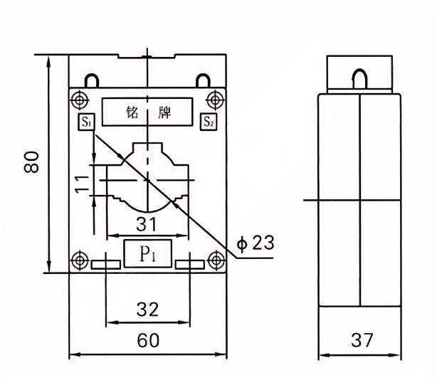
BH-0.6660--300 वर्तमान ट्रान्सफार्मरहरू
  • BH-0.6660--300 वर्तमान ट्रान्सफार्मरहरूBH-0.6660--300 वर्तमान ट्रान्सफार्मरहरू

BH-0.6660--300 वर्तमान ट्रान्सफार्मरहरू

BH-0.6660--300 वर्तमान ट्रान्सफार्मरहरू (CTTS) शुद्धता-ईन्जिनियर वाणिज्यिक उपकरणहरू हुन् - वर्तमान मतदान विद्युतीय प्रणालीहरूमा सही मापन र अनुगमनको लागि डिजाइन गरिएको उपकरणहरू। 0..668kv को मूल्या rated ्कन अपवाद भोल्टेजसँग, यी ट्रान्सफार्मरहरू ऊर्जा प्रबन्धन, संरक्षक रिलेको लागि र स्तुर्लिंग अनुप्रयोगहरूको लागि उपयुक्त छन्।

सुविधाहरू:

उच्च शुद्धता: आईईसी 6118669 M मानकहरू भेट्छ, बिलि and र अनुगमन उद्देश्यहरूको लागि विश्वसनीय प्रदर्शन सुनिश्चित गर्दछ।

कम्प्याक्ट डिजाइन: कडा रिक्त स्थानमा सजिलो स्थापनाको लागि स्पेस बचत गरिएको निर्माण निर्माण।

फराकिलो वर्तमान दायरा: अर्थात् चिकित्सा औद्योगिक र वाणिज्यिक भारहरूको लागि उपयुक्त।

टिकाऊ सामग्रीहरू: मजबूत आवासले वातावरणीय कारक र यांत्रिक तनावको प्रतिरोध प्रदान गर्दछ।

सुरक्षा अनुपालन: BH-0.666660--300 वर्तमान ट्रान्सफार्मरहरूले अन्तर्राष्ट्रिय सुरक्षा र प्रदर्शन प्रमाणपत्रको साथ अनुरूप चलिरहेका छन्।


अनुप्रयोगहरू:

उर्जा वितरण प्रणालीमा उर्जा मीटलिंग।

सर्किट ब्रेकरर्स र रिमालरमा अत्यधिक सुरक्षित संरक्षण।

स्मार्ट ग्रिड र ईट-आधारित अनुगमन समाधानहरूको साथ एकीकरण।

प्राविधिक विवरणहरू:

रेटेड भोल्टेज: 0.66kv

फ्रिक्वेन्सी: -0 / / 00 65hz

सटीकता वर्ग: 0.5, 1.0 (अनुकूलन योग्य)

बोझ: ग्राहक आवश्यकता अनुसार


मुख्य प्राविधिक प्यारामिटरहरू

प्राथमिक रूपमा मूल्या rated ्कन गरिएको
वर्तमान (a)
परिशुद्घता
कमिला
संयोग
REDED दोस्रो आउटपुट (VA) थर्मल वर्तमान (Ka) हो गतिशील गतिशील वर्तमान (Ka)
0.2 (हरू) 0.2 0.5 10,P10
5-400 0.2 / 10 1110
0. / / 10 1110
/ 10 10 15 90lin 2200lin
5-400 100 पात्र 250LIN
5-400 20 50
5-400
5-400 36 90
10
5-400 45 100
5-400 56 100
5-400
5-400 80 110
5-400 100 110


हट ट्यागहरू: BH-0.6660--300 वर्तमान ट्रान्सफार्मरहरू
सोधपुछ पठाउनुहोस्
सम्पर्क जानकारी
  • ठेगाना

    Xiangyang औद्योगिक क्षेत्र, yaqing, zhhejiang, चीन

  • टेलिफोन

    +86-13506554625

  • इ-मेल

    river@dahuelec.com

यदि तपाइँसँग उद्धरण वा सहयोग को बारे मा कुनै सोधपुछ छ, कृपया यूएस नदी @ बदाम संलग्न वा निम्न छानबिन फारम प्रयोग गर्नुहोस्। हाम्रो बिक्री प्रतिनिधिले 2 24 घण्टा भित्र तपाईंलाई सम्पर्क गर्दछ। हाम्रो उत्पादनहरूमा तपाईको चासोको लागि धन्यवाद।
X
हामी तपाईंलाई राम्रो ब्राउजिङ अनुभव प्रदान गर्न, साइट ट्राफिक विश्लेषण र सामग्री निजीकृत गर्न कुकीहरू प्रयोग गर्छौं। यो साइट प्रयोग गरेर, तपाईं कुकीहरूको हाम्रो प्रयोगमा सहमत हुनुहुन्छ। गोपनीयता नीति
अस्वीकार गर्नुहोस् स्वीकार गर्नुहोस्